Silal - How to fix a sensor problem

Silal - How to fix a sensor problem

As shown in the screenshot below, the greenhouse temperature measurement is -10 °C and the RH measurement is 0%.
The graph shows that the measurements have been wrong for a long time.



1. Open the Dataconnector panel
2. The green led's of the power supply's must be ON
- if a led is OFF, please check the ON/OFF switches
- check the power of the grid



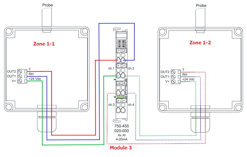
3. Look at the module to which the measurements are connected.
4. For example module 3
5. Led A, B, E and F must be OFF
- if one of the led's is ON, please check if the wires are connected correct, check if there is no broken wire

    • Related Articles

    • NL - Waar monteer je de sensoren in een warmte opslag tank

         Vraag Waar monteer je de sensoren in een warmte opslag tank?  Antwoord  Gegevens van de tank: - 12 meter hoog - inhoud van 4.800 m3 - diameter is 22,6 m - 13 sensoren Standaard, als wij het adviseren, nemen we 10% van de totale hoogte van de tank ...
    • NL - Hoe onderhoud je een pH sensor

             Vraag Hoe onderhoud je een pH sensor?  Antwoord  Zoals je in de onderstaande tabel kunt zien, kun je de sensor reinigen met schoon water. Klik hier voor de installatiehandleiding en de calibratie van de sensor
    • IIVO Sensor onderhoud

      PAR sensor 0-3000 umol Li-190R Een checkkit PAR wordt gebruikt om een PAR sensor te controleren en deze te vergelijken met een nieuwe sensor. Controleer of de ijkfactor correct is ingevuld in de IIVO: Meetbox droge en natte bol Meetbox boven doek ...
    • NL - Wat zijn de inbedrijfstellingsinstellingen voor een neerslagdetector

         Vooral in verband met het spinnenprobleem is de neerslagmeting verbeterd. De nieuwe standaardoplossing voor neerslagmeting is nu als volgt: De vernieuwde neerslagdetector (Type-F) is de standaardsensor voor elke nieuwe iSii. Principe De sensor ...
    • NL - 642794 Silo niveau sensor First Sensor KTE/CTE-series

         Dit artikel is speciaal geschreven voor Hoogendoorn Partners Vraag Hoe installeer je deze sensor.  Antwoord  Bekijk de bijgevoegde installatiehandleiding. Het is mogelijk om de temperatuurmeting van deze silodruksensor te gebruiken. Deze methode ...